5月17日,國家工信部發布《新能源汽車動力蓄電池回收利用溯源管理暫行規定》(征求意見稿),向社會公開征求意見。規定要求對動力電池生產銷售維修回收梯次利用等信息上傳,且要求汽車生產、電池生產、報廢汽車回收拆解及綜合利用企業應建立內部管理制度,省級工業和信息化主管部門會同同級有關部門對本地區相關企業溯源責任履行情況進行監督檢查。規定擬自2018年8月1日期執行
柴油發電機組對《新能源汽車動力蓄電池回收利用溯源管理暫行規定》(征求意見稿)公開征求意見
柴油發電機組為加強新能源汽車動力蓄電池回收利用溯源管理,規范和指導各相關方履行溯源管理責任,我們組織編制了《新能源汽車動力蓄電池回收利用溯源管理暫行規定》(征求意見稿)。現向社會公開征求意見,如有意見或建議,請于2018年5月30日前反饋工業和信息化部節能與綜合利用司。
柴油發電機組聯系電話:010-68205365
柴油發電機組傳真:010-68205363
柴油發電機組電子信箱:zyzhly@miit.gov.cn
柴油發電機組2018年5月17日
柴油發電機組附件
柴油發電機組新能源汽車動力蓄電池回收利用溯源管理暫行規定(征求意見稿)
柴油發電機組第一條 [ [ 管理總體要求] ]按照《新能源汽車動力蓄電池回收利用管理暫行辦法》(工信部聯節〔2018〕43 號)要求,建立“新能源汽車國家監測與動力蓄電池回收利用溯源綜合管理平臺”(以下簡稱“溯源管理平臺”),對動力蓄電池生產、銷售、使用、報廢、回收、利用等全過程進行信息采集,對各環節主體履行回收利用責任情況實施監測。
柴油發電機組第二條 [ [ 新車型實施時間] ]自本規定施行之日起,對新獲得《道路機動車輛生產企業及產品公告》(以下簡稱《公告》)的新能源汽車產品和新取得強制性產品認證的新能源汽車產品(含進口新能源汽車)實施溯源管理。
柴油發電機組第三條 [ [ 在生產車實施時間] ]對本規定施行之日前已獲得《公告》和取得強制性產品認證的新能源汽車產品(含進口新能源汽車),延后 12 個月實施溯源管理。
柴油發電機組第四條 [ [ 已生產車實施時間] ]汽車生產企業(含進口商)對已生產和已進口但未納入溯源管理的新能源汽車產品,在本規定施行 12 個月內將相關溯源信息補傳至溯源管理平臺。
柴油發電機組第五條 [ [ 梯次利用產品實施時間] ]自本規定施行之日起,對梯次利用電池產品實施溯源管理。
柴油發電機組第六條 [ [ 編碼標識要求] ]電池生產、梯次利用企業應按照《關于開通汽車動力蓄電池編碼備案系統的通知》(中機函〔2018〕73 號)要求,進行廠商代碼申請和編碼規則備案,對本企業生產的動力蓄電池或梯次利用電池產品進行編碼標識。
柴油發電機組第七條 [ [ 申請程序要求和信息公開] ]汽車生產、報廢汽車回收拆解及綜合利用企業應在溯源管理平臺申請賬號(申請材料見附表 1、2)。各企業應在溯源管理平臺上傳溯源信息(見附表 3)。汽車生產企業應在溯源管理平臺上傳回收服務網點信息(見附表 4),并在企業網站向社會公布。
柴油發電機組第八條 [ [ 生產信息上傳要求] ]汽車生產企業應在配發國產新能源汽車出廠合格證后 7 個工作日內,進口商應在進口新能源汽車通關并完成檢驗檢疫后 7 個工作日內上傳信息。
柴油發電機組第九條 [ [ 銷售信息上傳要求] ]與汽車生產企業合作的銷售商應在車輛銷售后及時向汽車生產企業報送記錄信息,并告知車輛所有人記錄信息發生變更時更新記錄信息的要求與程序。汽車生產企業應在車輛銷售上牌和車輛所有人記錄信息更新后 15 個工作日內上傳信息。
柴油發電機組第十條 [ [ 維修信息上傳要求] ]與汽車生產企業合作的維修商、電池租賃企業等應在動力蓄電池維修、更換后及時向汽車生產企業報送信息。汽車生產企業應在動力蓄電池維修、更換后 15 個工作日內上傳溯源信息。
柴油發電機組第十一條 [ [ 回收信息上傳要求] ]回收服務網點應在廢舊動力蓄電池回收、移交后,向汽車生產企業報送信息。汽車生產企業應在廢舊動力蓄電池回收、移交后 15 個工作日內上傳信息。
柴油發電機組第十二條 [ [ 其他相關方信息上傳要求] ]與汽車生產企業未合作的新能源汽車銷售商、維修商、租賃商等,應按照第九條規定,通過溯源管理平臺提交申請,并按照第九、十條規定時限,向溯源管理平臺規范上傳信息。
柴油發電機組第十三條 [ [ 報廢信息上傳要求] ]報廢汽車回收拆解企業應在接收報廢新能源汽車,并出具《報廢汽車回收證明》后15 個工作日內上傳信息;在廢舊動力蓄電池拆卸并移交后15 個工作日內上傳信息。
柴油發電機組第十四條 [ [ 梯次利用信息上傳要求] ]梯次利用企業應在梯次利用電池產品出庫后 15 個工作日內上傳信息;在梯次利用電池生產、檢測、使用等過程中產生的廢舊動力蓄電池,應在其回收及移交后 15 個工作日內上傳信息。
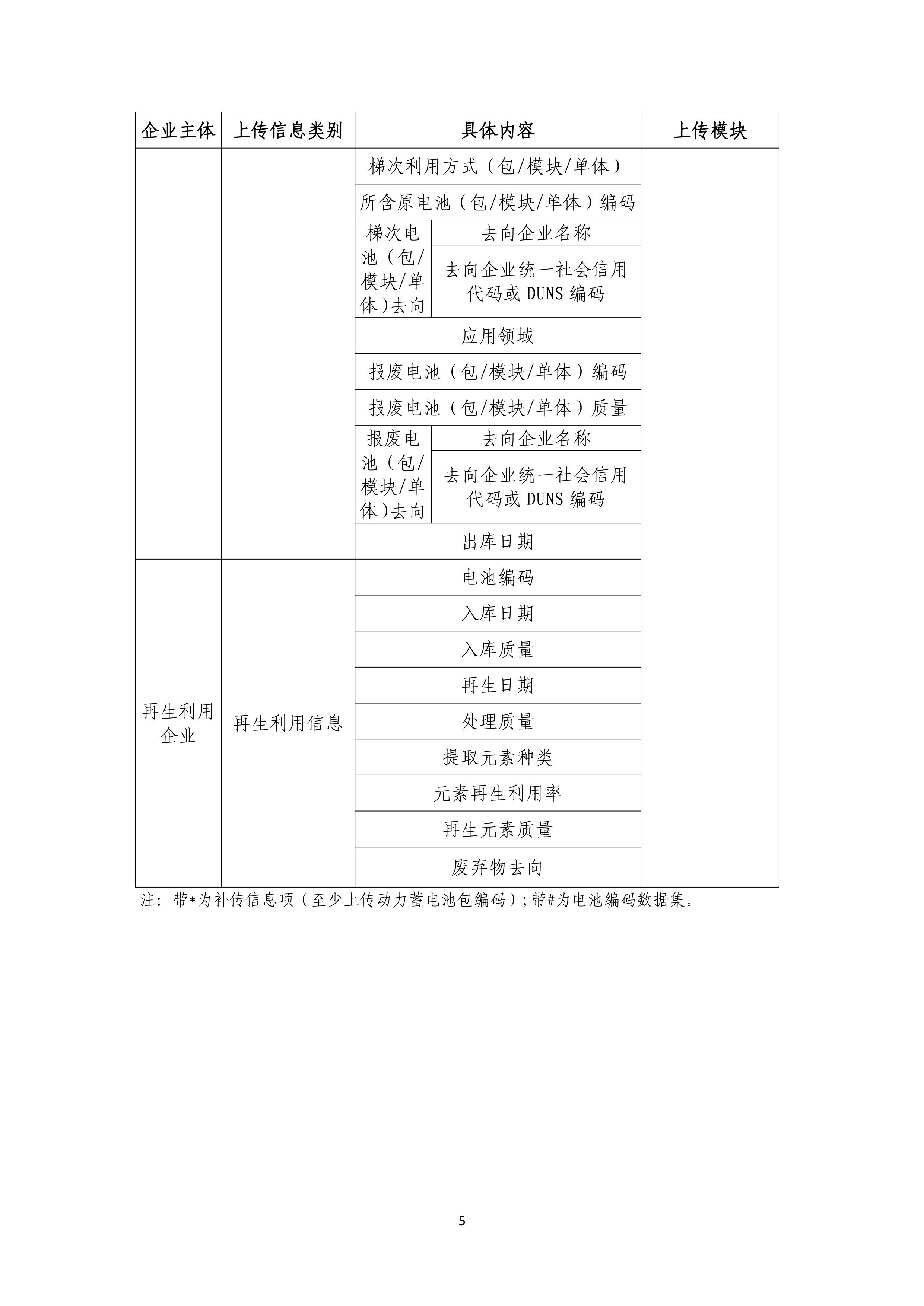
柴油發電機組第十五條 [ [ 再生利用信息上傳要求] ]再生利用企業應在接收廢舊動力蓄電池后 15 個工作日內上傳信息;在完成再生利用及最終處理后 15 個工作日內上傳信息。
柴油發電機組第十六條 [ [ 企業溯源履責要求] ]汽車生產、電池生產、報廢汽車回收拆解及綜合利用企業應建立內部管理制度,加強溯源管理,確保溯源信息準確真實。
柴油發電機組第十七條 [ 地方監督管理要求]省級工業和信息化主管部門會同同級有關部門對本地區相關企業溯源責任履行情況進行監督檢查。
柴油發電機組第十八條 [ [ 術語定義引用] ]《新能源汽車動力蓄電池回收利用管理暫行辦法》有關術語和定義適用于本規定。
柴油發電機組第十九條 [ [ 施行時間] ]本規定自 2018 年 8 月 1 日施行。
柴油發電機組附表:1.企業基本情況表
柴油發電機組2.接口密鑰申請表
柴油發電機組3.溯源信息列表
柴油發電機組4.回收服務網點信息申報表
柴油發電機組




